| Sign In | Join Free | My xpshou.com |
|
Brand Name : Dowis
Model Number : PQ40, PQ Series
Certification : CE, UL, RoHs, ISO9001, 16949
Place of Origin : CN
MOQ : 1000pcs
Payment Terms : T/T, L/C
Delivery Time : 3-4Weeks
Packaging Details : Carton Box
PQ40 High-Frequency Transformer Manufacturer Customized DW6333
Shenzhen Dowis Electronics Co., Ltd. is a professional manufacturer of electronic transformers, inductors, and filters integrating R&D, production, and sales. It is a national high-tech enterprise and has passed the IATF16949:2016 automotive industry quality management system certification, the product has passed the "UL""CQC" and other safety certifications. The products are widely used in communication equipment, new energy vehicles, industrial control equipment, high-power LED drives and other market areas. The industry has high visibility. In addition to the domestic market, but also exported to many countries in Europe and the United States.
In order to further expand production capacity, it has set up a special test area construction area in zhaoqing YueGui cooperation in 2018 of 14000 square meters of manufacturing center named ZhaoQing Sheng Xiang electronic technology co., Ltd. Its management technical team has rich experience in cooperating with customers from well-known domestic enterprises and overseas. The design of products can fully follow customer’s needs and services with a good quality control system, and it has been recognized by many famous enterprises as the core suppliers. We look forward to cooperating with you.
1. Drawing (Unit: mm)

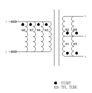
2. Schematic Diagram

3. Construction

3. Process of winding

4. Electrical Characteristics

|
|
PQ40 High-Frequency Transformer Manufacturer Customized DW6333 Images |